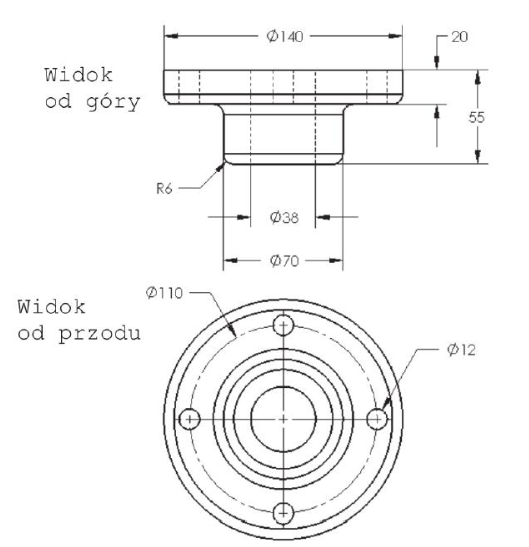
W ramach wprowadzenia lub powtórzenia podstaw obsługi oprogramowania postaram się przybliżyć, na jakie sposoby można w SOLIDWORKS dodawać materiał oraz w jaki sposób można kontrolować, jak zachowują się różne operację do tego służące. Aby zobrazować ich działanie, za ich pomocą zamodeluję prosty kołnierz, wyglądający w następujący sposób:
Wymiary kołnierza są następujące:

W oprogramowaniu SOLIDWORKS mamy dostępnych kilka operacji, którymi możemy stworzyć ten model. W tym artykule przybliżę działanie operacji Wyciągnięcia dodania/bazy znajdującej się w zakładce Operacje.

Jest to jedno z pierwszych poleceń, które poznajemy w oprogramowaniu SOLIDWORKS. Wyciągnięcie dodania/bazy umożliwia dodanie do istniejącej geometrii 2D grubości w trzecim wymiarze. Ta operacja, która na pierwszy rzut oka wydaje się bardzo prosta, zawiera jednak kilka opcji, które mogą ułatwić uzyskanie docelowej geometrii. Po wybraniu ikony tej operacji mamy wybór – możemy stworzyć nowy szkic lub wybrać już istniejący.

Pierwszym podmenu dostępnym we właściwościach tej operacji jest podmenu „Od”. W tym miejscu definiujemy, gdzie ma znajdować się początek geometrii którą tworzymy za pomocą operacji. Mamy do wyboru płaszczyznę szkicu, odsunięcie od płaszczyzny szkicu o podaną wartość, wybraną z modelu ścianę/płaszczyznę/powierzchnie lub wybrany z modelu wierzchołek.

W kolejnej zakładce „Kierunek 1” możemy zdefiniować, gdzie ma znajdować się koniec wyciąganej geometrii. Mamy do wyboru wyciągnięcie na podaną odległość, do ostatniej istniejącej geometrii w danym kierunku (Przez wszystko), do wybranego wierzchołka, do wybranego obiektu, do wybranej powierzchni, możemy się od wybranej powierzchni odsunąć o podaną odległość. Klikając na ikonę dwóch strzałek obok definicji kierunku, możemy odwrócić kierunek wyciągnięcia na drugą stronę płaszczyzny zdefiniowanej w zakładce „Od”.
Ostania definicja „Symetrycznie od płaszczyzny” pozwala nam stworzyć bryłę o podanym wymiarze, która będzie symetryczna względem płaszczyzny definiowanej w poprzedniej zakładce. W zakładce „Kierunek 1” mamy dostępną opcję „Scalaj wyniki”. Jeżeli mamy tę opcję zaznaczoną to geometria, która tworzymy będzie automatycznie scalana z bryłami, z którymi będzie miała wspólną objętość. Jeżeli opcja „Scalaj wyniki” jest wyłączona, to nowa geometria będzie dodana jako oddzielna bryła. Ostatnia funkcja w tej zakładce pozwala nam dodać pochylenie do wewnątrz lub na zewnątrz do wyciąganej geometrii.
Zakładka „Kierunek 2” ma takie same opcje jak zakładka „Kierunek 1”. Ta zakładka pozwala definiować wyciągnięcie w kierunku odwrotnym od kierunku zdefiniowanego w poprzedniej zakładce. Opcję dostępne w tej zakładce są analogiczne do poprzedniej.

Aktywowanie zakładki „Cienkie ścianki” włącza nam operację cienkościenną tzn. zamiast wyciągać zamknięte kontury ze szkicu na zdefiniowaną wcześniej odległość, wybrane elementy ze szkicu zostaną „pogrubione” na podany wymiar i następnie wyciąga powstały kształt. W zakładce możemy zdefiniować, jak pogrubione mają być elementy w szkicu (w jednym kierunku, dwa kierunki lub symetrycznie).

Jeżeli do operacji cienkościennej wybierzemy zamknięty kontur, to dostępna jest opcja „Zamykaj końce”. Opcja ta pozwala nam w szybki sposób „domknąć” pustą objętość od góry i od spodu podana grubością. Jeżeli do operacji użyjemy szkicu, w którym znajdują się elementy ze wspólnymi punktami końcowymi, to dostępna jest opcja „Automatycznego zaokrąglenia narożników”, która zaokrągla powstałe w geometrii kąty do podanego promienia.
Ostatnia zakładka „Wybrane kontury” pozwala nam wybrać które elementy (kontury lub obszary) ze szkicu użytego do operacji mają być wyciągnięte. Funkcja ta jest najbardziej przydatna, gdy do kilku operacji mamy przygotowany jeden szkic.
Umiejętne skonfigurowanie operacji Wyciągnięcia dodania/bazy pozwala na uzyskanie wielu rodzaju geometrii, zależnie od rodzaju modelowanej bryły. Poniżej przykład zastosowania operacji do zamodelowania wcześniej wspomnianego kołnierza.





